征途国际

上海征途国际电力

继电器制造商
电力继电器研发与生产的企业

咨询服务热线139-6888-3630
继电器选型
征途国际> 技术文章>双位置继电器 >DLS-10B型双位置继电器

联系征途国际

  • DLS-11B双位置继电器
  • 文章类别:DLS-10B型双位置继电器
  • 文章概述
  • 产品型号:DLS-11B双位置继电器
    触点形式:2常开2常闭
    额定电压:48V、110V、220V(DC)
    安装方式:导轨安装

  • 产品分类

    询价留言

    概述
    DLS-11B双位置继电器又称双稳态继电器,用于直流操作的各种保护和自动控制线路中,以实现机械闭锁。是电力系统和自动化控制中老型电磁式双位置中间继电器更新首选产品。采用导轨式安装结构,体积小,安装方便。采用多个进口小型密封继电器组成,具有功耗低、发热小、动作时间快、触点容量大等特点。
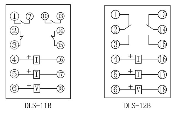
    DLS-11B触点形式
    型号 触点形式 额定电压
    DLS-11B 2常开2常闭 DC:48V、110V、220V
    DLS-12B 2转换 DC:48V、110V、220V
    DLS-11B内部接线图
    DLS-11B内部接线图
    企业实拍
    企业内部环境
    主要特点

    DLS-11B端子排接线

    DLS-11B阻燃壳体

    DLS-11B导轨条安装

    DLS-11B静态集成电路

    导轨安装结构
    DLS-11B导轨安装结构外形尺寸

    *主题:

    称呼:

    邮箱:

    公司:

    *电话:

    传真:

    备注:

    *验证码: