


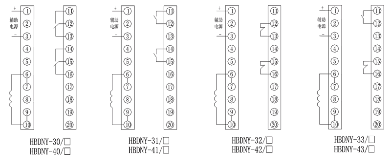
产品型号:HBDNY-33电压继电器
触点形式:1常开1常闭
动作时间:小于25ms
返回时间:小于30ms
AC电压:220V、240V、380V
DC电压:110V、220V
安装方式:导轨安装


HBDNY-33电压继电器,采用进口集成电路构成,被测量的交流电压U~经隔离变压器降压后得到与被测电压成正比的电压Ui,经整定后进行整流,整流后脉冲电压经滤波器滤波,得到与Ui成正比的直流电压Uo,在电平检测中Uo与直流参考电压Ue进行比较,若直流电压Uo低于参考电压,电平检测器输出正信号,驱动出口继电器,则HBDNY-33继电器处于动作状态。反之,不论是过电压继电器或是低电压继电器,若直流电压Uo高于参考电压Ue,电平检测器输出负信号,继电器处于不动作状态。

| 额定参数 | |
| 直流额定电压 | 110V、220V可选 |
| 交流额定电压 | 220V、240V、380V可选 |
| 直流动作电压 | ≤70%额定电压 |
| 交流动作电压 | ≤75%额定电压 |
| 动作时间 | 过电压≤25ms,低电压≤30ms |
| 返回时间 | 过电压≤30ms,低电压≤25ms |
| 过电压返回系数 | >0.90 |
| 低电压返回系数 | <1.1 |
| 功耗 | ≤5W |
| 绝缘性能 | |
| 绝缘电阻 | 继电器外壳与外露带电端子之间用开路电压500V的兆欧表测量,绝缘电阻不小于10MΩ |
| 绝缘耐压 | 继电器外壳与外露带电端子之间能耐受2KV(有效值)50Hz试验电压,历时1分钟,无击穿或闪络现象 |
| 环境条件 | |
| 环境温度 | -15℃~55℃ |
| 工作电压 | 不大于120%额定电压 |
| 工作位置 | 任意 |
| 周围磁场强度 | 小于0.5mT |
| 环境相对湿度 | 不大于90% |
| 大气压力 | 80~110KPa |
| 温度 | -25℃~+70℃ |
| 海拔高度 | 不大于2500 米 |






