什么是闭锁继电器
闭锁继电器是一种电控制器件,是在交流电压回路断线而可能引起的继电保护误动作时,对继电保护进行闭锁,作用于中性点非直接接地系统中。
用途
LB-7静态闭锁继电器是上海征途国际电力在传统电磁型继电器的基础上进行研发升级的。主要适用于发电厂及变电所内高压母线上的电压互感器(PT)的二次侧、当高压母电时防止工作人员误合接地刀闸。安装LB-7闭锁继电器可防止此类安全问题的发生。
特点
1、LB-7闭锁继电器带有三个单独的LED灯分别显示A、B、C相是否带电或缺相,并且具有独立的闭锁灯显示;
2、由传统的电磁型升级为电子型静态继电器,LB-7的硬件更安全可靠,升级后接线方式与传统的电磁型闭锁继电器基本一致;
3、带有MCU单片机采样控制,具有独立判定;
4、LB-7闭锁继电器采用导轨安装,壳体具有体积小、外形美观等优点,并且符合欧规标准;
5、抗干扰能力强EMC(浪涌、脉冲群、静电)等试验可过4级;
6、在-40℃~70℃环境温度下能够可靠运行。
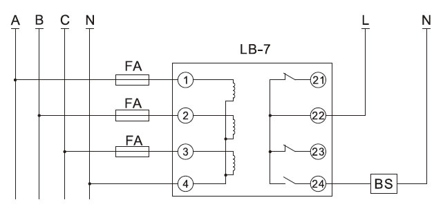
LB-7闭锁继电器接线图

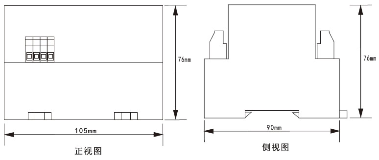
外观尺寸图

上一篇:
光伏发电防孤岛保护装置的作用
下一篇:
非接触式高压带电显示器