征途国际

上海征途国际电力

继电器制造商
电力继电器研发与生产的企业

咨询服务热线139-6888-3630
继电器选型
征途国际> 技术文章>时间继电器>SRTST型时间继电器

联系征途国际

  • SRTST-220VDC-2H-2H-C通电延时带瞬动时间继电器
  • 文章类别:SRTST型时间继电器
  • 文章概述
  • 产品型号:SRTST-220VDC-2H-2H-C时间继电器
    延时类型:通电延时带瞬动继电器
    延时触点:2常开
    瞬动触点:2常开
    额定电压:DC220V

  • 产品分类

    询价留言

    概述
    SRTST-220VDC-2H-2H-C时间继电器为通电延时带瞬动继电器适用于交流电压90V~280V,直流电压24V~220V的自动控制电路中。时间继电器作为断电延时动作的元件,用于交流或直流保护和自动控制装置中,使被控元件得到所需延时。其延时精度远高于电磁型时间继电器和RC型时间继电器,为电力系统继电保护缩短主保护和后备保护时间级差提供保证,是老式时间继电器更换的理想产品,SRTST-220VDC-2H-2H-C采用静态集成电路具有整定范围更大、级差小、触点容量大、整定直观方便等优点。
    型号及含义
    SRTST-220VDC-2H-2H-C型号及其含义
    延时范围代码
    延时代码 A B C D
    延时范围 0.3秒~3分钟 0.3秒~6分钟 0.5秒~30分钟 1秒~60分钟
    SRTST-220VDC-2H-2H-C主要特点
    ●采用拨码整定,具有整定方便、级差小、整定范围宽等特点。
    ●延时范围广,有0.3秒~3分、0.3秒~6分、0.5秒~30分、1秒~60分可选。
    ●采用集成电路和进口元器件,稳定性和可靠性更高。
    ●SRTST-220VDC-2H-2H-C继电器动作后,利用触点自保持,继电器触点无抖动,抗干扰能力强。
    ●采用导轨安装,对比老式的凸出式结构和插拔结构其安装更方便。
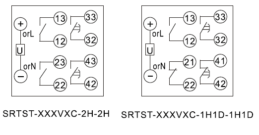
    接线图
    SRTST-220VDC-2H-2H-C内部接线图
    SRTST-220VDC-2H-2H-C技术参数
    额定参数
    直流额定电压 24V、110V、220V可选
    交流额定电压 110V、220V可选
    直流动作电压 ≤70%额定电压
    交流动作电压 ≤75%额定电压
    延时范围 0.3秒~3分、0.3秒~6分、0.5秒~30分、1秒~60分
    延时精度 ±10%(较大延时整定值<1秒时)
    返回时间 ≤20mS
    功耗 ≤5W
    安装方式及接线
    安装结构 导轨安装
    接线方式 端子排接线
    绝缘性能
    绝缘电阻 继电器外壳与外露带电端子之间用开路电压500V的兆欧表测量,绝缘电阻不小于10MΩ
    绝缘耐压 继电器外壳与外露带电端子之间能耐受2KV(有效值)50Hz试验电压,历时1分钟,无击穿或闪络现象
    环境条件
    环境温度 -15℃~55℃
    工作电压 不大于120%额定电压
    工作位置 任意
    周围磁场强度 小于0.5mT
    环境相对湿度 不大于90%
    大气压力 80~110KPa
    温度 -25℃~+70℃
    海拔高度 不大于2500 米
    主要特点

    SRTST-220VDC-2H-2H-C阻燃壳体

    SRTST-220VDC-2H-2H-C静态集成电路

    SRTST-220VDC-2H-2H-C端子排接线

    SRTST-220VDC-2H-2H-C导轨条安装

    导轨安装结构
    SRTST-220VDC-2H-2H-C导轨安装结构外形尺寸

    *主题:

    称呼:

    邮箱:

    公司:

    *电话:

    传真:

    备注:

    *验证码: