ZJ3-1A概述
ZJ3-1A继电器属于快速中间继电器用于直流操作的各种保护和自动控制回路中,作为出口继电器或扩大继电器的控制范围。常见的型号有:ZJ3-1A、ZJ3-2A、ZJ3-3A、ZJ3-4A、ZJ3-5A等。额定电压为12V、24V、48V、110V、220V可选。
动作原理
ZJ3-1A继电器为电磁式阀型快速动作中间继电器,线圈固定在"Π"型的导磁体上,电磁铁与衔铁由轴连接在架板上,衔铁上的绝缘顶板带动触点使触点接通或断开。
ZJ3-1A技术参数
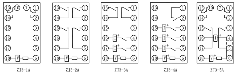
●触点形式见下表

●额定电压:24V、48V、110V、220V。
●电流保持值:具有电流保持绕组的继电器,保持电流不大于80%额定保持值。
●电压保持值:具有电压保持绕组的继电器,保持电压不大于50%额定保持值。
●返回值:ZJ3-1A中间继电器的返回值不小于额定值5%。
●线圈温升:当周围环境温度为40℃时,其电压绕组应能长期承受110%额定电压,线圈温升不超过65℃。
●介质强度:继电器所有电路与外露非带电金属部分之间以及在电气上无联系的各电路之间的介质强度应能承受50Hz,2000V,1min的试验,无击穿或闪络现象。
●绝缘电阻值:应不小于 300MΩ。
●触点断开容量:在直流有感(τ=5ms)回路,U≤250V,I≤2A为50W;在交流(cosφ=0.4)回路,U≤250V,I≤2A为250VA。
●功率消耗:不大于5W。
●触点长期允许接通电流:10A,历时10s。
●电寿命:5×10
4次。
●机械寿命:2.5×10
4次。
调试方法
1、动静触点的间隙不应小于1mm,触点的超行程为0.2mm~0.3mm。
2、铁心与衔铁转轴端底边之间的气隙不得超过0.1mm~0.15mm。
3、调整继电器衔铁的限位螺钉改变触点间隙和动作时间及动作值,但不得使触点间隙小于1mm。
4、ZJ3-1A中间继电器在工作过程中应定期检查是否符合技术要求,当触点熏黑烧焦进行清理时,可用小刀轻轻刮去,再用绸布擦净,不得用手触及或用砂纸及其它磨料清理。