


●RGL-26静态反时限过流继电器( 以下简称继电器 )具有反时限特性,用于发电机、变压器及 输配电系统的继电器保护装置中。在设备过负荷或短路时,能按预定的时限可靠动作,发出信号或切除故障部分。
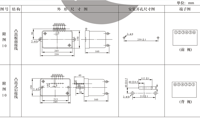
●本继电器为集成电路静态型继电器,采用数码开关整定电流值,直观方便,改变整定值无须检验,整定范围为2-20A级差为0.1A;精度高、功耗小、动作时间快、返回系数高,是GL-型过流继电器理想的更新换代产品。
●本继电器执行电力行业标准DL478-2001《静态继电器保护及安全自动装置通用技术条件》;机械行业标准JB3346-83《反时限过流继电器技术条件》。




●环境温度:-10℃~+50℃;
●相对湿度:不大于90%;
●大气压力:86kPa~106kPa;
●使用地点不出现超过GB/T14537规定的严酷等级为1级的振动;
●周围环境:不允许有阳光直射、雨和水的冲洗,无爆炸危险的介质,不应含有能腐蚀金属、破坏绝缘和表面涂覆层的介质及导电介质,不允许有明显的水气,不允许有严重的霉菌存在。
●无辅助电源产品测试应注意方法:当用变压器作为电流源时, 要求变压器的次级匝数与电流互感器的次级匝数相当,否则就会由于阻抗不匹配而产生较大的误差,测试速动的动作速度时,若采用电流通断法进行测量,由继电器内部工作电源需要一定的建立时间,会产生较大的误差,而在正常工作时,由于工作电源是存生的,速度会快得多。同理,在用通断法测量延时时间时,也会产品误差。
●无辅助电源产品的动作指示:当继电器的速断出口和延时出口后,继电器面板上的动作指示灯会保持动作记录;在继电器动作返回后,动作指示灯需手动复归。