征途国际

上海征途国际电力

继电器制造商
电力继电器研发与生产的企业

咨询服务热线139-6888-3630
继电器选型
征途国际> 技术文章>中间继电器>DZB-100型保持中间继电器

联系征途国际

  • DZB-127带保持中间继电器
  • 文章类别:DZB-100型保持中间继电器
  • 文章概述
  • 产品分类

    询价留言

    DZB-127概述
    DZB-100型继电器属于带保持中间继电器作为辅助继电器,用于直流操作回路中,以增加主保护的触点容量和数量。常见的型号为DZB-115、DZB-127、DZB-138等。其中DZB-15为电流动作电压保持中间继电器、DZB-127、DZB-138为电压动作电流保持中间继电器。
    DZB-127触点及规格
    DZB-127保持中间继电器触点及规格
    技术参数
    ●动作电压:为30%~70%额定值。
    ●动作电流:不大于80%额定值。
    ● 返回值:不小于额定值的5%。
    ● 保持值:保持电流不大于80%;DZB-138保持电流不大于65%;保持电压不大于70%。
    ● 动作时间:在额定值下不大于45ms. ● 返回时间:当输入激励量由额定值降至零时,继电器的返回时间不大于60ms. ● 功率消耗:不大于7W。
    ● 介质强度:产品各导电端子连在起,对外露的非带电金属部分或外壳之间,能承受2000V(有效值)50Hz的交流电历时1分钟试验而无绝缘击穿或闪络现象。
    ●触点长期允许接通电流:5A。
    ●触点断开容量:在电压不超过250V,电流不超过5A,时间常数为5±0.75ms的直流有感负荷电路中,触点的断开容量为50W。
    ●电寿命:5×103次。
    ●机械寿命:2.5×104次。
    DZB-127端子接线图
    DZB-127内部接线图
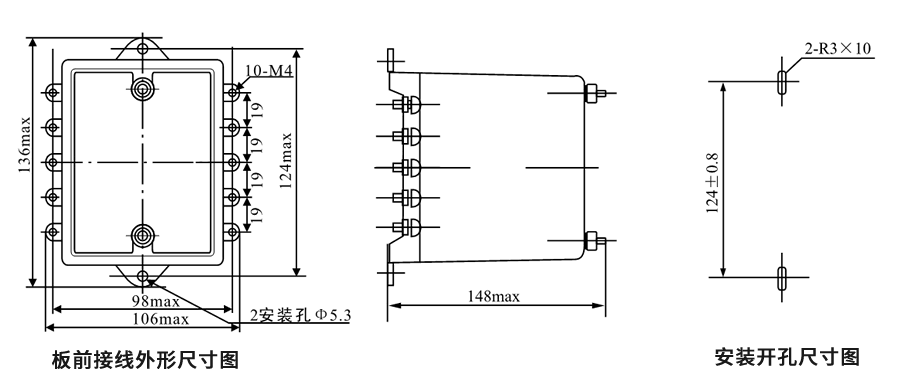
    DZB-127板前接线
    DZB-127板前接线外形尺寸和安装尺寸图
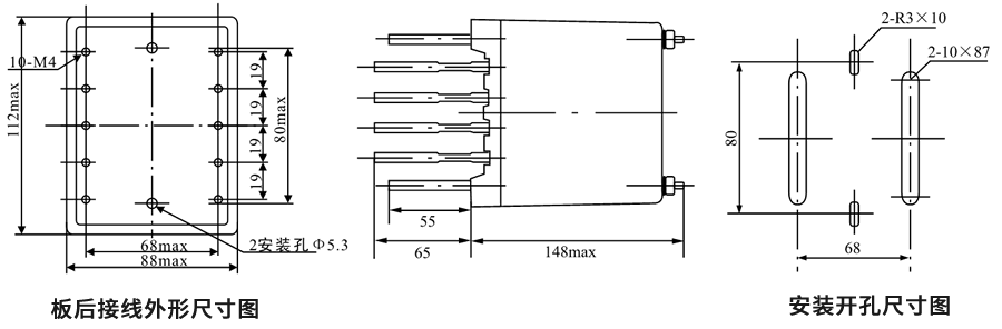
    DZB-127板后接线
    DZB-127板后接线外形尺寸和安装尺寸图
    DZB-127端子图
    DZB-127端子图

    *主题:

    称呼:

    邮箱:

    公司:

    *电话:

    传真:

    备注:

    *验证码: