征途国际

上海征途国际电力

继电器制造商
电力继电器研发与生产的企业

咨询服务热线139-6888-3630
继电器选型
征途国际> 技术文章>时间继电器>BS-10型时间继电器

联系征途国际

  • BS-13时间继电器
  • 文章类别:BS-10型时间继电器
  • 文章概述
  • 产品型号:BS-13
    整定时间:2~10S
    额定电压:220V、110V、48V、24V

  • 产品分类

    询价留言

    概述
    BS-13时间继电器采用静态集成电路,作为辅助元件用于各种保护和自动控制的回路中,使被控制的元件得到可调的动作延时。具有精度高、功耗小、动作时间准确、整定直观方便、范围宽等特点,是替代电磁型时间继电器的理想产品。
    原理图

    BS-13时间继电器由集成电路、电阻、电容及干簧继电器等元件组成。当继电器加入额定电压时J2经降压电阻R3、R5外附得到电压而动作,使其动断触点打开,此时电容器C1经电位器及电阻(R4、R1)而充电,随着充电时间的增长,7点电位将逐渐增高,当达到集成电路的驱动值时,从而使集成电路驱动干簧继电器J1并接通输出继电器J3,这样就使被控制的电路按一定的延时接通。继电器延时的调整是靠改变电位器R4来实现,其延时的获得是靠电容器充电来实现。

    BS-13工作原理图

    整定参数表
    型号 延时范围 时间一致性 电源类型
    BS-11 0.15~1.5S 0.06S AC/DC:24V、48V、110V、220V(直流220V应外附电阻)
    BS-12 1~5S 0.12S AC/DC:24V、48V、110V、220V(直流220V应外附电阻)
    BS-13 2~10S 0.25S AC/DC:24V、48V、110V、220V(直流220V应外附电阻)
    BS-14 4~20S 0.5S AC/DC:24V、48V、110V、220V(直流220V应外附电阻)
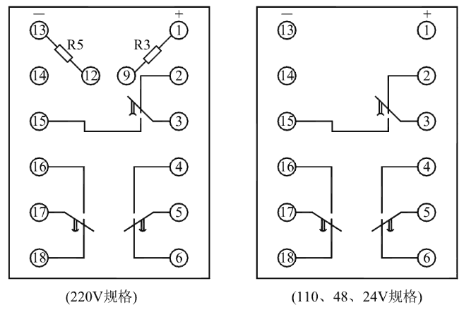
    接线图
    BS-13内部接线图
    主要特点

    BS-13阻燃壳体

    BS-13静态集成电路

    BS-13端子排接线

    BS-13导轨条安装

    导轨安装结构
    BS-13导轨安装结构外形尺寸
    凸出固定式安装结构
    BS-13凸出固定式安装结构
    凸出插拔式安装结构
    BS-13凸出插拔式安装结构
    嵌入插拔式安装结构
    BS-13嵌入插拔式安装结构

    *主题:

    称呼:

    邮箱:

    公司:

    *电话:

    传真:

    备注:

    *验证码: