征途国际

上海征途国际电力

继电器制造商
电力继电器研发与生产的企业

咨询服务热线139-6888-3630
继电器选型
征途国际> 技术文章>中间继电器>DZ-3E、DZ-3E/J型中间继电器

联系征途国际

  • DZ-3E/26、DZ-3E/26J中间继电器
  • 文章类别:DZ-3E、DZ-3E/J型中间继电器
  • 文章概述
  • 产品分类

    询价留言

    DZ-3E/26、DZ-3E/26J用途
    DZ-3E/26、DZ-3E/26J中间继电器(以下简称继电器)是一种电磁型螺管式多触点交、直流辅助继电器。用于继电保护与自动控制系统中,以增加触点的数量及容量。DZ-3E型用于直流回路,DZ-3E/J型用于交流回路。
    DZ-3E/26、DZ-3E/26J主要技术要求

    ● 型号参数如下所示:
    DZ-3E/26、DZ-3E/26J中间继电器技术参数
    ● 额定电压:AC 220V、110V、48V、24V、 DC 220V、110V、48V、24V。
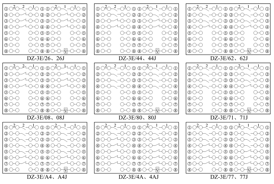
    ● 接点形式:8闭、6闭2开、4闭4开、2闭6开、8开、7闭1开、10闭4动 断、4闭10开、7闭7开。
    ● 动作值:直流继电器动作电压不大于70%额定电压、交流继电器动作电压不大于85%额定电压。
    ● 动作时间:不大于50ms。
    ● 功率消耗:不大于11W。
    ● 触点容量:在电压不超过250V,电流不超过5A,时间常数为5±0.75ms的直流有感负荷电路中,产品输出触点的断开容量为50W。
    ●输出触点长期允许接通电流为5A。
    ● 介质强度:产品各导电端子连在一起,对外露的非带电金属部分或外壳之间,能承受2000V(有效值)50Hz的交流电压 历时1分钟试验而无绝缘击穿或闪络现象。

    DZ-3E/26、DZ-3E/26J内部接线图

    DZ-3E/26、DZ-3E/26J接线图

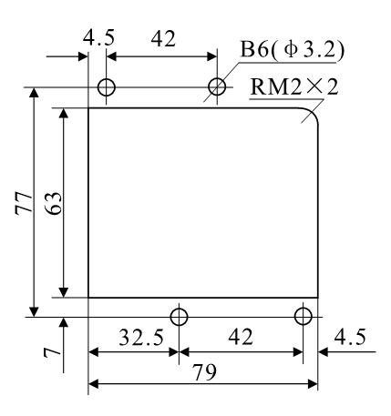
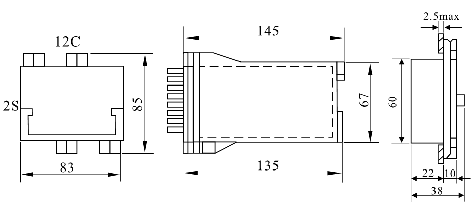
    DZ-3E/26、DZ-3E/26J外形尺寸图

    采用凸出式板后接线方式
    DZ-3E/26、DZ-3E/26J外形尺寸图

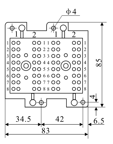
    DZ-3E/26、DZ-3E/26J安装开孔尺寸图
    DZ-3E/26、DZ-3E/26J安装开孔尺寸图
    DZ-3E/26、DZ-3E/26J端子图
    DZ-3E/26、DZ-3E/26J端子图

    *主题:

    称呼:

    邮箱:

    公司:

    *电话:

    传真:

    备注:

    *验证码: