RELR-1DS可调漏电继电器
RELR-1DS适用于交流电压线路中做有无中性点漏电保护。可与带分励脱扣器或失压脱扣器的断路器、交流接触器、磁力启动器等组成漏电保护装置,作漏电和触电保护之用,可配备蜂鸣器、信号灯等各种声光指示器件结合组成漏电报答装置。RELR-1DS漏电继电器体积小、安装使用方便,动作值固定分档可调,动作可靠,连续供电稳定,操作简易。能适应各地用户,可以用来对线路进行接地故障保护,防止由于接地故障电流引起的设备事故或电气火灾,也可用来对人体触电解除提供间接触电保护。适用于电源系统中心点直接接地的低压配电系统。是安全使用的网改较理想的产品,RELR-1DS动作时间分快速型和延时型,配合使用时对干线和支线进行分级选择保护。
RELR-1DS漏电继电器型号分类及含义
主要特点
■基于MCU的密集型设计;
■用于电动机和配电系统的接地保护;
■采用零序电流检测法;
■TEST键提供力一个手动的自检功能;
■接地电流和跳闸延迟时间是分别调整的;
■绿色LED指示已建立电源,红色LED指示已跳闸;
■EXTRESET具有远方复归功能;
■TEST具有远方试验功能。

RELR-1DS动作电流和不驱动时间
| 型号 |
动作电流 |
动作时间 |
动作电流精度 |
互感器孔径 |
| RELR-1DS |
0.03~3A可调 |
0.2S~2S |
80%~100% |
25mm |
| RELR-2DS |
0.03~3A可调 |
0.2S~2S |
80%~100% |
45mm |
| RELR-3DS |
0.03~3A可调 |
0.2S~2S |
80%~100% |
100mm |
主要技术参数
| 额定参数 |
| 控制电压 |
AC220V;DC12V、24V、48V |
| 漏电动作电流 |
0.03、0.07、0.1、0.3、0.5、1、1.5、2、2.5、3A可调 |
| 动作时间 |
0.2、0.4、0.6、0.8、1、1.2、1.4、1.6、1.8、2S可调 |
| 动作电流精度 |
80%~100% |
| 互感器孔径 |
25mm、45mm、100mm |
| 功耗 |
≤5W |
| 绝缘性能 |
| 绝缘电阻 |
继电器外壳与外露带电端子之间用开路电压500V的兆欧表测量,绝缘电阻不小于10MΩ |
| 绝缘耐压 |
继电器外壳与外露带电端子之间能耐受2KV(有效值)50Hz试验电压,历时1分钟,无击穿或闪络现象 |
| 环境条件 |
| 环境温度 |
-15℃~55℃ |
| 工作电压 |
不大于120%额定电压 |
| 工作位置 |
任意 |
| 周围磁场强度 |
小于0.5mT |
| 环境相对湿度 |
不大于90% |
| 大气压力 |
80~110KPa |
| 温度 |
-25℃~+70℃ |
| 海拔高度 |
不大于2500 米 |
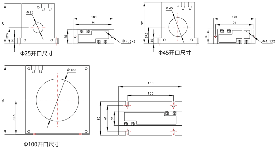
可调漏电继电器外形及开孔尺寸
可调漏电继电器操作说明
■TIME是跳闸延时旋钮,用来调节跳闸延迟时间;
■EARTH是漏电电流调节旋钮,用来调整检测漏电电流的大小;
■TEST是自动检测按钮,常按TEST键,当时间超过TIME设定值时,继电器会动作跳闸;
■RESET是复位键,继电器动作跳闸后,按下RESET键继电器复位。
RELR-1DS接线示例图
漏电继电器零序电流互感器参数选型表
| 型号 |
开口尺寸 |
较大额定电流参考值(A) |
额定电压(V) |
| Y-25 |
Φ25mm |
0~100 |
690、660、380 |
| Y-45 |
Φ45mm |
0~200 |
| Y-100 |
Φ100mm |
0~630 |
| 注:特定产品需提前沟通注明 |
零序电流互感器外形及安装尺寸图